특허등록, 배터리 방전 장치

특허등록, 배터리 방전 장치

출원번호 10-2022-0038461
출원일자 2022년03월29일
심사청구일자 2022년03월29일

등록번호 10-2431726
등록일자 2022년08월08일

발명의 요약

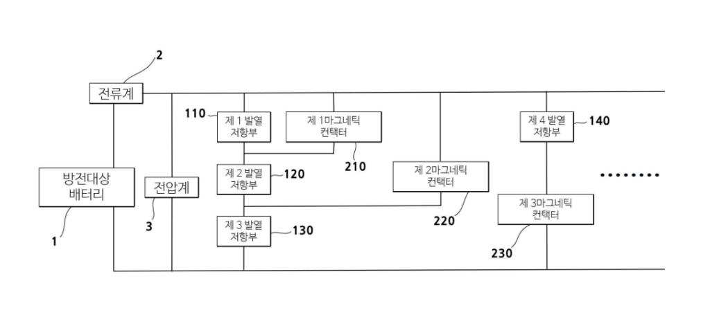
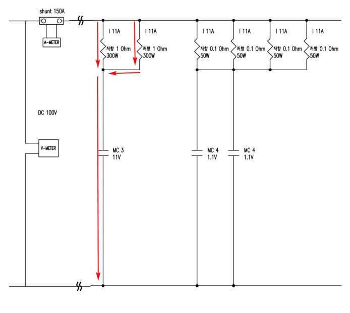
본 실시예의 배터리 방전 장치는, 방전대상의 배터리를 저항 방전시키기 위하여, 상호간에 직렬로 연결되면서 상기 배터리와는 병렬로 연결되는 제 1 방열 저항부, 제 2 방열 저항부 및 제 3 방열 저항부; 제 1 전압에서 스위치 온되는 마그네틱 컨택터로서, 일단은 상기 배터리와 연결되고, 타단은 상기 제 1 방열 저항부 및 제 2 방열 저항부 사이에 연결되는 제 1 마그네틱 컨택터; 상기 제 1 전압 보다 낮은 제 2 전압에서 스위치 온되는 마그네틱 컨택터로서, 일단은 상기 배터리와 연결되고, 타단은 상기 제 2 방열 저항부 및 제 3 방열 저항부 사이에 연결되는 제 2 마그네틱 컨택터; 상기 배터리에 대해서 병렬로 연결되면서 적어도 하나 이상의 저항을 포함하는 제4 방열 저항부; 및 상기 제 2 전압 보다 낮은 제 3 전압에서 스위치 온되는 마그네틱 컨택터로서, 일단은 상기 제 4 방열 저항부에 연결되고, 타단은 상기 배터리에 연결되는 제 3 마그네틱 컨택터;를 포함한다.

도면