출원번호 10-2023-0006668
출원일자 2023년01월17일
등록번호 10-2860181
등록일자 2025년09월11일
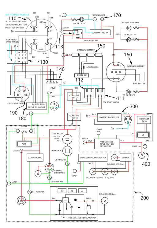
발명의 요약 : 본 실시예의 BMS 공유방식의 DC 전력 공급 장치는, 출력 전원 소스의 전원을 타기기로 공급할 수 있는 전력 공급 장치로서, 상기 출력 전원 소스는 상기 장치의 내부에 탑재되어 고정된 전압과 전류를 출력하는 내장 배터리와, 고정된 전압과 전류를 출력하면서 상기 장치에 연결되어 있는 외장 배터리와, 출력 전압과 전류가 일정하지 않은 것을 의미하는 이종 배터리에 해당하는 기타 배터리를 포함하고, 상기 장치는, 내장 배터리, 외장 배터리 및 기타 배터리 중 어느 하나를 출력 전원 소스로 선택이 가능하도록 하는 스위칭 모듈과, 상기 스위칭 모듈 에 연결되고, 상기 내장 배터리, 외장 배터리 및 기타 배터리들의 동작 상태를 모니터링하고 성능을 관리하는 BMS(Battery Management System)와, 상기 스위칭 모듈을 통해 상기 출력 전원 소스로 상기 내장 배터리가 선택되는 경우에 상기 스위칭 모듈에서 전달되는 구동 전류를 전달받아 동작하면서 상기 BMS와 내장 배터리를 연결하거나 차단하는 내장용 릴레이와, 상기 스위칭 모듈을 통해 상기 출력 전원 소스로 상기 외장 배터리가 선택되는 경우에 상기 스위칭 모듈에서 전달되는 구동 전류를 전달받아 동작하면서 상기 BMS와 외장 배터리를 연결하거나 차단하는 외장용 릴레이를 포함한다.
도면

